
-
生物通官微
陪你抓住生命科技
跳动的脉搏
PNAS:牛奶可能会加重MS症状
【字体: 大 中 小 】 时间:2022年03月05日 来源:Proceedings of the National Academy of Sciences
编辑推荐:
多发性硬化症患者经常抱怨在食用乳制品后出现更严重的疾病症状。德国波恩大学和埃尔兰根-纽伦堡大学的研究人员现在发现了一个可能的原因。根据这项研究,牛奶中的一种蛋白质会引发炎症,目标是神经细胞周围的“绝缘层”。这项研究能够在小鼠身上证明这种联系,但也在人类身上发现了类似机制的证据。因此,研究人员建议某些人群的患者避免食用乳制品。这项研究已经发表在《美国国家科学院院刊》上。
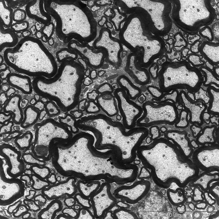
图片:在健康的小鼠体内,绝缘的髓磷脂(黑色)紧密地包裹在神经纤维(轴突)周围。
这项研究的灵感来自于多发性硬化症患者:“我们一再听到患者说,当他们喝牛奶、白软干酪或酸奶时感觉更糟,”波恩大学医院解剖学研究所的Stefanie Kürten解释说。“我们对这种相关性的原因很感兴趣。”
这位神经解剖学教授被认为是研究多发性硬化症的知名专家。她于2018年在埃尔兰根-纽伦堡大学开始这项研究。一年半前,她搬到了波恩,在那里她继续和她的研究小组一起工作。“我们给小鼠注射了来自牛奶的不同蛋白质,”她说。“我们想知道是否有一种成分会让他们产生疾病症状。”
研究人员确实找到了他们想要寻找的东西:当他们将牛奶成分酪蛋白和一种效果增强剂一起给小鼠服用时,小鼠继续出现了神经紊乱。电子显微镜显示神经纤维周围的绝缘层,即髓鞘受损。这种脂肪状物质可以防止短路,并显著加速刺激传导。
穿孔髓鞘层
在多发性硬化症中,人体的免疫系统会破坏髓鞘。其后果包括感觉异常和视力问题,以及运动障碍。在极端情况下,病人需要轮椅。小鼠的绝缘鞘也被大量穿孔——显然是由酪蛋白引起的。Kürten教授研究小组的博士后Rittika Chunder解释说:“我们怀疑原因是一种错误的免疫反应,类似于在MS患者中看到的免疫反应。”“身体的防御系统实际上会攻击酪蛋白,但在这个过程中,它们也会破坏参与髓磷脂形成的蛋白质。”
当两个分子至少在某些部分非常相似时,就会发生这种交叉反应。在某种意义上,免疫系统会将它们误认为彼此。“我们将酪蛋白与不同的分子进行了比较,这些分子对髓磷脂的产生非常重要,”Chunder说。“在这个过程中,我们发现了一种叫做MAG的蛋白质。它在某些方面看起来与酪蛋白非常相似,以至于在实验室动物身上,酪蛋白抗体也能有效对抗MAG。”
这意味着,在用酪蛋白治疗的小鼠中,身体自身的防御也直接针对MAG,破坏髓磷脂的稳定。但是研究结果在多大程度上可以应用到多发性硬化症患者身上呢?为了回答这个问题,研究人员将来自小鼠的酪蛋白抗体添加到人类脑组织中。这些物质确实在大脑中负责产生髓磷脂的细胞中积累。
酪蛋白抗体自检
某些白细胞,即B细胞,负责抗体的产生。研究发现,MS患者血液中的B细胞对酪蛋白的反应特别强烈。据推测,受影响的个体在食用牛奶的某一时刻对酪蛋白过敏。现在,只要他们吃了新鲜的奶制品,免疫系统就会产生大量的酪蛋白抗体。由于与MAG的交叉反应,这些也会损害神经纤维周围的髓鞘。
然而,这只影响对牛奶酪蛋白过敏的多发性硬化症患者。“我们目前正在开发一种自我测试,通过这种方法,受影响的个人可以检查他们是否携带相应的抗体,”免疫感知卓越集群(Cluster of Excellence ImmunoSensation2)成员Kürten说。“至少这一人群应该避免饮用牛奶、酸奶或白软干酪。”
牛奶也可能增加健康人患多发性硬化症的风险。因为酪蛋白也会引发过敏——这可能并不罕见。一旦出现这种免疫反应,理论上就会发生与髓磷脂的交叉反应。但是,这并不意味着对酪蛋白的过敏就一定会导致多发性硬化症的发展。这可能需要其他风险因素。这种联系仍然令人担忧,Kürten说:“研究表明,在大量饮用牛奶的人群中,多发性硬化症的发病率升高。”
Antibody cross-reactivity between casein and myelin-associated glycoprotein results in central nervous system demyelination with implications for the immunopathology of multiple sclerosis